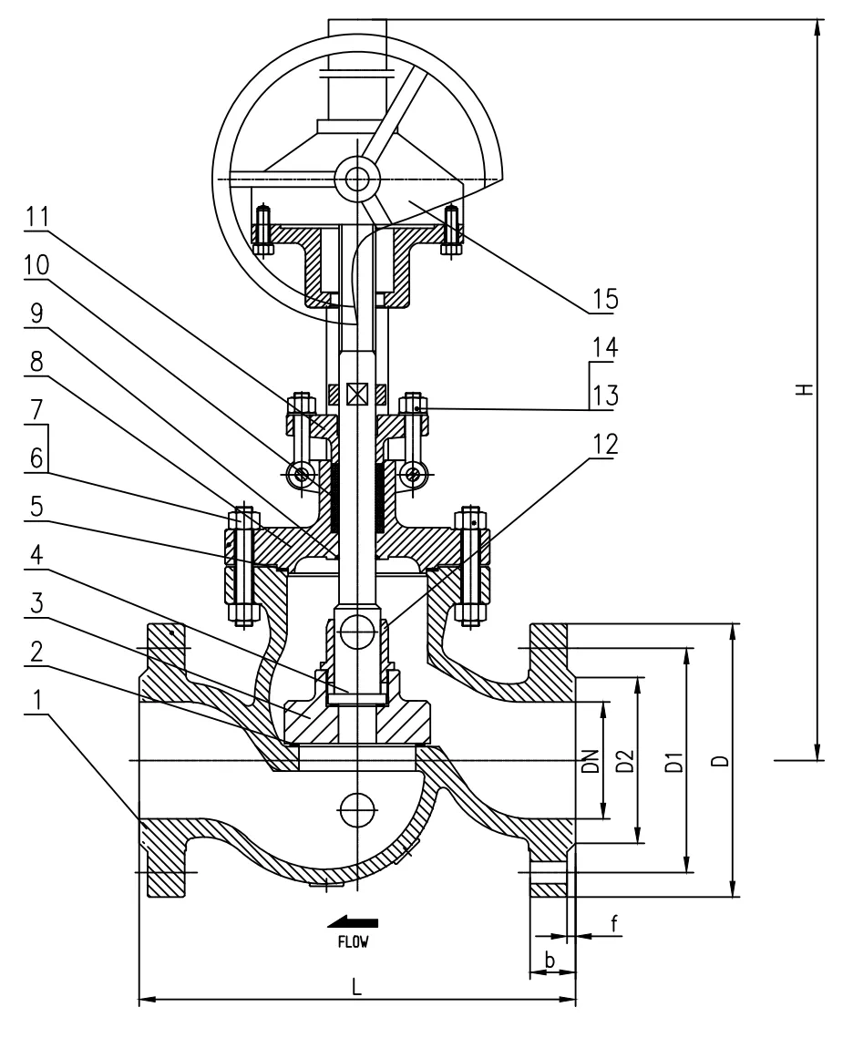
Hanno Valve ได้รับการยกย่องให้เป็น Gearbox Globe Valves ที่ยอดเยี่ยม Hanno Valve ช่วยให้มั่นใจถึงประสิทธิภาพที่เชื่อถือได้แม้หลังจากการดำเนินงานหลายปีในสภาพแวดล้อมที่ต้องการ ผ่านการเลือกวัสดุที่เข้มงวดและการผลิตที่แม่นยำแต่ละวาล์วจะถูกสร้างขึ้นเพื่อทนต่อสภาวะที่เข้มงวด วาล์วทุกตัวผ่านการทดสอบที่ครอบคลุมเพื่อรับประกันการปฏิบัติตามมาตรฐานคุณภาพสูงของเราให้ความน่าเชื่อถือในระยะยาวในแอปพลิเคชันเฉพาะของคุณ
ฮันโนวาล์วให้แม่พิมพ์ทรายเคลือบคุณภาพสูงสำหรับวาล์วประตูวาล์วลูกโลกเกียร์และตรวจสอบวาล์วที่สอดคล้องกับมาตรฐาน API และ GOST นอกจากนี้เรายังนำเสนอการพัฒนาแม่พิมพ์ที่กำหนดเองสำหรับวาล์วความปลอดภัยวาล์วควบคุมและวาล์วควบคุม
รวมถึงอุปกรณ์ติดตั้งหลอด Swagelok สำหรับการรวมตัวที่หลากหลาย
สร้างความมั่นใจว่าเข้ากันได้กับสภาพการทำงานและสื่อที่แตกต่างกัน
มีให้บริการในรุ่นมาตรฐานความบริสุทธิ์สูงและบริสุทธิ์สูงพิเศษ (UHP) พร้อมการรับรองการปล่อยมลพิษต่ำจาก API
สำหรับคำแนะนำจากผู้เชี่ยวชาญในการเลือกวาล์ว Gearbox Globe หรือวาล์วด้านขวาอื่น ๆ การฝึกอบรมการติดตั้งและการบำรุงรักษาหรือการสนับสนุนทางเทคนิคขึ้นอยู่กับเครือข่ายทั่วโลกของเราเกือบ 200 แห่งการขายและบริการที่ได้รับอนุญาต
